抗谐波智能电容器 OVE800R
智能电容器 R 型是以△型或 Y 型低压电力电容器为主体,采用微电子软硬件技术、微型传感器技术、微型网络技术和电器制造技术等新技术成果,实现智能化低
压无功补偿功能,能方便地实现过零投切、保护、测量、信号指示、联机等系列功能,是低压无功自动补偿滤波技术的重大突破。
产品主要应用于有谐波场合的无功补偿,能够可靠运行,不会产生谐振,对谐波无放大作用,并在一定程度上有吸收消除谐波的功能。其中串接 7% 电抗器的产
品使用于主要谐波为 5 次及以上的电气环境,串接 14% 电抗器的产品使用于主要谐波为 3 次的电气环境。
主要功能
1、抗谐波滤波功能:
◆有效的抑制谐波和涌流,对谐波形成低阻抗通路。防止电容器过载、绝缘介质的老化、自愈性能下降、使用寿命降低。
◆采用电子式过零投切开关,能准确的在电压为零时投入,电流为零时切除,投切涌流小。
◆配电电压、电流、无功功率、功率因数测量;CT 相位与变比自动测量、校正。
◆各台电容器内部电流、内部温度测量。
2、信号功能
电容器投切状态、过欠补状态、过欠压状态信号 ; 保护动作类型、自诊断故障类型信号。
3、通信功能
◆电容器和控制器之间采用 CAN 通信连接,便于大量采样数据上传及与外设监控。
◆终端可以进行信息交换,方便系统集成。
4、联机功能
具备多个抗谐波无功补偿器通信功能。
5、智能组网
可自动检测及跟踪系统无功的变化,自动投切电容器组。容量相同的电容器按循环投切原则,容量不同的电容器按适补原则投切。电容器先投先退、先退先投 ;
电容器运行温度低的先投,运行温度高的先退。
6、故障自诊断功能
电容器智能控制元件能对本体各项运行参数进行自诊断,一旦出现自检故障,整机快速响应,退出运行。
智能电容器 OVE800C
常规智能电容器 OVE800C 型是应用于 0.4KV 低压电网的新一代智能化电力无功补偿装置,它是以二组 ( △型 ) 或一组 (Y 型 ) 低压电力电容器为主体,采用微电
子软硬件技术、微型传感技术、微型网络技术和电器制造技术等新技术成果的无功补偿装置。
OVE800C 型普通型智能电容器,使用方便,具有过零投切、研讨参数测量、自保护、自组网联机等系列功能,可灵活使用于低压无功补偿的各种场合,具有结
构简洁、生产方便、成本降低、性能提高、维护简便等多项优点。
技术特点
1、投切开关电器耐电压、耐电流冲击能力强
智能电容器中的投退运行低压电力电容器的投切开关电器使用电子式投切开关电器,其耐压冲击能力大于研讨电压3500V(直流电压 5000V)以上,耐电流冲击
能力达到 100 倍额定电流以上,投切额定次数超过 100 万次以上。在当今复杂多变的电网电气环境下,电磁式过零投切开关电器具有极好的工作可靠性。
2、投切开关电器的过零投切性能优异
智能电容器中的投切开关电器具有特殊的电子式过零投切技术,投切的偏移度小于 2.5°、投切涌流小于 2.5 倍额定电流,有效地保护低压电力电容器投切过程无
涌流冲击、无切除过电压、无燃弧现象等。
3、保护功能
智能电容器具有过电、欠电、失电保护、短路保护、过电流及过温保护等功能,有效保障智能电容器的安全,从而延长设备的使用寿命。
4、智能组网
智能电容器采用智能网络技术构建 CAN 通讯网络方式进行相互之间或外接设备之间联机,满足系统工作需要。
5、优质低压电力电容器元件
低压电力电容器元件采用边缘加厚型锌铝复合镀膜工艺,具有良好的导电性和稳定性,不易氧化 , 提高了自愈性能 , 容量衰减低、增强了抗涌流能力,工作时发
热量小并且均匀,较大提高了低压电力电容器的容量稳定性。
6、人机联系良好
智能电容器采用数码管显示、LED 灯及按键进行人机联系,清晰度不受环境影响。数码管显示器上实时显示工况数据,概念明确、显示值清晰,不同的 LED 灯
分别指示运行故障、运行切除、运行投入三种状态。
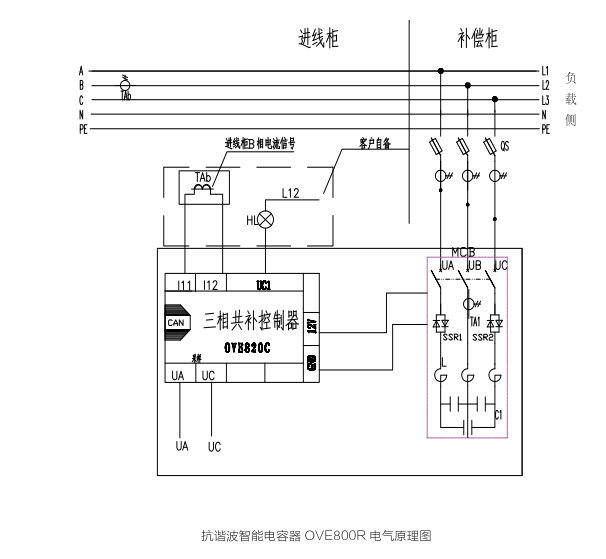
抗谐波智能电容器 OVE800R
电气原理图

技术参数
1、环境条件
环境温度: - 45 ~ 65℃;
相对湿度:40℃,20 ~ 90%;
海拔高度:≤ 2000m。
2、电源条件
额定电压:~ 220V/ ~ 380V;
电压偏差:±20%;
电压波形:正弦波,总畸变率不大于 5%;
工频频率:48.5 ~ 51.5Hz;
功率消耗:<0.5W(切除电容器时),<1W(投入二台电容器时)。
3、电气安全
电气间隙与爬电距离、绝缘强度、安全防护、短路强度、采样与控制电路防护均符合中华人民共和国电力行业标准 DL/
T842- 2003《低压并联电容器装置使用技术条件》中对应条款要求。
4、测量误差
电压:≤ 0.5%(在 80 ~ 120% 额定电压范围内);
电流:≤ 1%(在 5% ~ 20% 额定电流范围内),≤ 0.5%(在 20% ~ 120% 额定电流范围内);温度:±1℃。
5、保护误差
电压:≤ 0.5%;
电流:≤ 1.0%;
温度:±1℃(电容器);±1℃(电抗器)
时间:±0.01s。
6、无功补偿参数
电容器投切时隔:>10s;(1S~10S 定制)
无功容量:单台≤ 40Kvar,分相≤ 30Kvar,联机≤ 24 台
7、可靠性参数
控制准确率:100%;
投切允许次数:100 万次;
电容器容量运行时间衰减率:≤ 1%/年;
电容器容量投切衰减率:≤ 0.1%/万次;
年故障率:≤ 0.1%。
智能电容器 OVE800C
电气原理图
